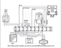
With the Y Plan the valve is motored all the way across to give CH only by a wire made line when you DON'T want DHW. So the Hive back plate will have 5 wires and earth so Line, Neutral 1, 3, and 4 and the wire to 1 is made live to stop DHW heating, same with the tank thermostat 3 wires and earth, and the contact which is made when tank is hot together with the number 1 wire turns DHW off.
DHW default is on, the line supply turns it off.
I found it is common for people to not fit the off wire, or to use a green/yellow as a line, then some one has corrected this by disconnecting it from line, I can in a way see the point,

the three port valve grey wire is made line to turn off the DHW, if the white wire looses power while there is still power to grey, it holds valve over, there is no power out of the orange so boiler does not run, but the valve can get quite warm. However the next time DHW calls for heat the valve will be released, so no real problem unless the DHW is turned off on a time clock before the central heating. There is no real reason to turn DHW off with the time clock, but it has been known, so the valve gets a little warm.
So Y Plan Hive

the hot water off wire from Hive to terminal 7 is often missed off. As long as the wire from the tank thermostat to grey on valve is fitted, the water will not get too hot. But you can't have CH without DHW, if the number 1 wire is missing.