
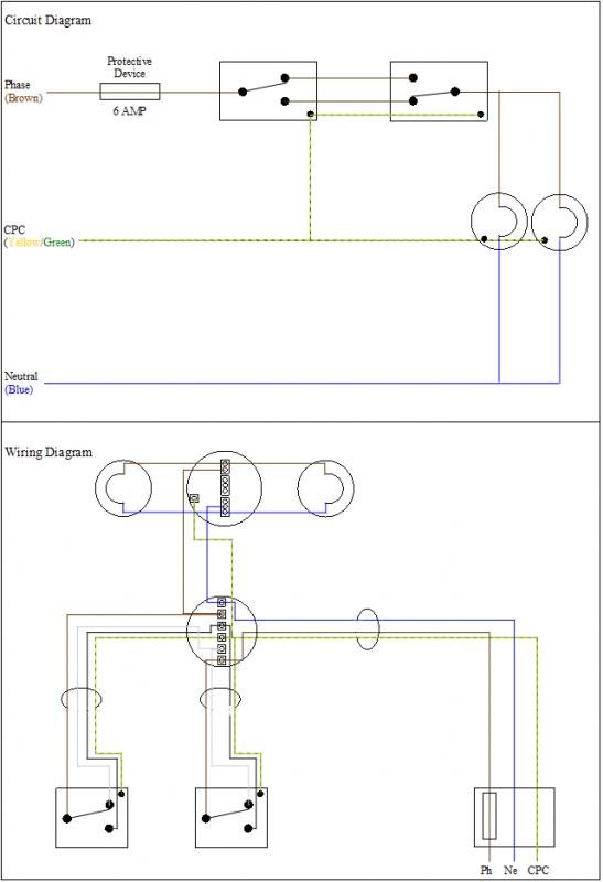
but by not linking the commons does that mean it doesn't comply with the wiring regs?
A bl***y great bang when the switch positions are asymmetrical?What on earth are you trying to acheive?
The fact that he doesn't have a clue what switches do?What makes you think it wouldn't?
when i was doing my electrical training
A bl***y great bang when the switch positions are asymmetrical?
If you need to find a tradesperson to get your job done, please try our local search below, or if you are doing it yourself you can find suppliers local to you.
Select the supplier or trade you require, enter your location to begin your search.
Are you a trade or supplier? You can create your listing free at DIYnot Local