Hi All,
Been reading on here for a while. As part of our house rebuild I have been working on our heating and hot water system design. I'm looking for any comments (constructive) that anybody might have so I can optimise and get a consensus point of view.
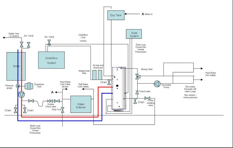
Below are a system and control schematic. Here are some notes on the system.
One of the issues I have not fully bottomed out is the location of the boiler tank stat(s) to maximise the solar input before the boiler kicks in. i.e. in the morning the temp of the heat store will be potentially low and will need a boiler boost, but not so much that the available storage for the solar will be limited. The solar input will be during the day so in the evening the boiler can top up without too much worry about solar capacity. I am thinking of two tank stats run off a two way controller so that in the morning the boiler will top up using a high position stat and in the evening using a lower position stat. I will need to optimise the system (stat temps nd timings) over a period of time to minimise gas use.
I would also like to be able to data log events on the system - if there are any proprietary digital output units out there I would be interested to hear of them. The UFH control system allows this as well as remote control!
Been reading on here for a while. As part of our house rebuild I have been working on our heating and hot water system design. I'm looking for any comments (constructive) that anybody might have so I can optimise and get a consensus point of view.
Below are a system and control schematic. Here are some notes on the system.
- Gas boiler is part of a closed loop pressurised system
Hot water is indirect and has secondary DHW loops - the bronze pump for this is controlled by PIRs in certain zones and overall control on a timer
Underfloor heating has zoned time and temp controls along with it's own pumps etc (I have ommited the control and distribution of this from the diagram for simplicity)
Solar thermal input is a closed loop with independant pumps and controls (again not shown)
All raised temperature pipework is lagged throughout the property
Not fully decided on both the magnaclean and air separator together
All gas, electrical and commisioning and sign offs will be done by appropriatle trades
This work is part of a project requiring building control approval
One of the issues I have not fully bottomed out is the location of the boiler tank stat(s) to maximise the solar input before the boiler kicks in. i.e. in the morning the temp of the heat store will be potentially low and will need a boiler boost, but not so much that the available storage for the solar will be limited. The solar input will be during the day so in the evening the boiler can top up without too much worry about solar capacity. I am thinking of two tank stats run off a two way controller so that in the morning the boiler will top up using a high position stat and in the evening using a lower position stat. I will need to optimise the system (stat temps nd timings) over a period of time to minimise gas use.
I would also like to be able to data log events on the system - if there are any proprietary digital output units out there I would be interested to hear of them. The UFH control system allows this as well as remote control!
