Hi to all you,
i am planning to install a thermal store which will work in conjunction with my rayburn and oil boiler to heat the DHW and maybe some rads. the current DHW vessel is pressurised but i know the rayburn shouldn't work with unvented systems so that's why i am thinking the thermal store is the answer, plus i can add a solar source later if i want.
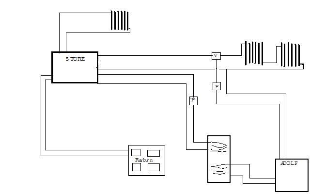
please have a look at this:
the items in it should be straight forward to identify but 'p' means pump and 'v' means thermo mixing valve. oh and 'adolf' is the viessmann boiler who seems to want to dominate me and my house. it takes no notice of what program i set it to, it just does what it feels like doing at whatever time it feels like doing it. i believe it has further sinister plans for the world in general.
anyway, what i would really like to know from you guys is what else do i need to buy to make this system workable and safe? i want a controller that will pump to DHW vessel until that is satisfied, then pump to rads if thermal store has over a certain temp. if neither of those functions is enough to keep thermal store temp under control then the heat dump rad will hopefully provide safety.
please do point out any errors that you can see although the drawing is only a quick sketch.
cheers,
john.
i am planning to install a thermal store which will work in conjunction with my rayburn and oil boiler to heat the DHW and maybe some rads. the current DHW vessel is pressurised but i know the rayburn shouldn't work with unvented systems so that's why i am thinking the thermal store is the answer, plus i can add a solar source later if i want.
please have a look at this:
the items in it should be straight forward to identify but 'p' means pump and 'v' means thermo mixing valve. oh and 'adolf' is the viessmann boiler who seems to want to dominate me and my house. it takes no notice of what program i set it to, it just does what it feels like doing at whatever time it feels like doing it. i believe it has further sinister plans for the world in general.
anyway, what i would really like to know from you guys is what else do i need to buy to make this system workable and safe? i want a controller that will pump to DHW vessel until that is satisfied, then pump to rads if thermal store has over a certain temp. if neither of those functions is enough to keep thermal store temp under control then the heat dump rad will hopefully provide safety.
please do point out any errors that you can see although the drawing is only a quick sketch.
cheers,
john.
