hello all,
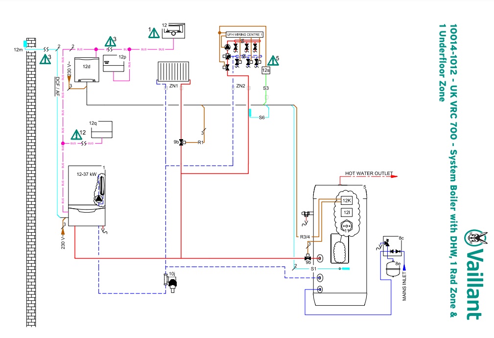
I have a 3 bed home with UFCH downstairs and radiators upstairs. I have an ecotec plus 624 system boiler and currently all my controls are the older heatmiser prt/ts type. I have 3 seperate thermostats, the first controls the upstairs radiators, and two downstairs controlling different areas of the UFCH, one of which controls the hot water.
I want to upgrade my controls and I’ve been offered a 700/6 that a friend has never gotten to installing so am considering this.
Would anyone knowledgeable be able to suggest if this is worthwhile?
I understand that I’ll need to purchase a seperate VR71 wiring centre and one / possibly two VR 91 thermostats for my current setup, although I can start with just the 700/2 as a replacement for the radiator thermostat to start with.
I’m intrigued by the weather compensation and possible cost savings in heating.
Any thoughts about this approach and the controls i’m considering?
Thanks
I have a 3 bed home with UFCH downstairs and radiators upstairs. I have an ecotec plus 624 system boiler and currently all my controls are the older heatmiser prt/ts type. I have 3 seperate thermostats, the first controls the upstairs radiators, and two downstairs controlling different areas of the UFCH, one of which controls the hot water.
I want to upgrade my controls and I’ve been offered a 700/6 that a friend has never gotten to installing so am considering this.
Would anyone knowledgeable be able to suggest if this is worthwhile?
I understand that I’ll need to purchase a seperate VR71 wiring centre and one / possibly two VR 91 thermostats for my current setup, although I can start with just the 700/2 as a replacement for the radiator thermostat to start with.
I’m intrigued by the weather compensation and possible cost savings in heating.
Any thoughts about this approach and the controls i’m considering?
Thanks
