- Joined
- 11 Apr 2022
- Messages
- 998
- Reaction score
- 218
- Country

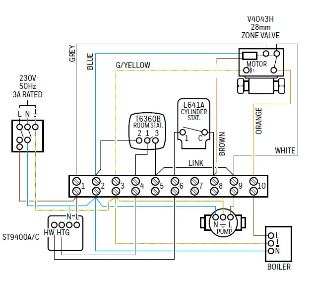
So on a 5 wire zone valve the NO is orange but on a 6 wire zone valve the NO is grey. Weird that Honeywell use different colours.

So on a 5 wire zone valve the NO is orange but on a 6 wire zone valve the NO is grey. Weird that Honeywell use different colours.

Take another look, they are different. Look at the micro switch part of the zone valve.The grey wire is the permanent live. That wire goes to the NO on the zone valve in all all the diagrams inc. the Honeywell ones. It doesn't matter whether it is 5 wires or 6 wires. The only difference with the 6 wire is that there is an extra wire (white) going to the NC on the zone valve.
The orange wire is always the switched live.
I don't know which diagram you are saying is different? They all look the same to me.
On your photo it actually says Grey (N/O) White (N/C).
Take another look, they are different. Look at the micro switch part of the zone valve.

The diagram you attached above shows the grey on the COM not the NO. The diagram you provided earlier in post #8 shows the grey on the NO and the orange on the COM.Which diagrams are you looking at? The diagram which you said before was different, is the same as all the others. The grey is going to the NO. The orange is the switched live. Which diagram shows it the other way round?
View attachment 338221
The diagram you attached above shows the grey on the COM not the NO. The diagram you provided earlier in post #8 shows the grey on the NO and the orange on the COM.

I know the result is the same in my situation but the diagrams are different as is the diagram printed on the actual valve. The diagram i posted is from the Honeywell Heating Controls Wiring Guide Issue 17, I think the latest guide is issue 19 so not that old.Does it make a difference how they draw the diagram? The one you posted looks really old fashioned. Maybe convention has changed. The important thing is that the grey is the permanent live, the orange is the switched live, on both.
Below is the latest drawing from Honeywell for 5 wire S plan
View attachment 338223
I know the result is the same in my situation but the diagrams are different as is the diagram printed on the actual valve. The diagram i posted is from the Honeywell Heating Controls Wiring Guide Issue 17, I think the latest guide is issue 19 so not that old.

Yes it does but on the diagram I posted from the wiring guide is shows orange on the NO.On the valve diagram it actually says Grey (N/O)!!
Yes it does but on the diagram I posted from the wiring guide is shows orange on the NO.

Which is different to the 5 wire zone valve wiring diagram.
Which is different to the 5 wire zone valve wiring diagram.

You're not looking close enough, forget about the naming of the switch positions, look at the diagram of the switch. The switch is drawn the opposite way around between the 5 wire and 6 wire wiring diagrams resulting in the wiring colours being different.This is getting ridiculous. Below are the latest diagrams from the Honeywell website, shown together, for 5 and 6 wire valves. Apart from the extra white wire on the second diagram, the drawing of the switching is identical.
I don't even know what you are trying to demonstrate. Your OP said that on your diagram (third one down) permanent live was orange and the grey wire was the switched live to the boiler. But that is clearly not the case. The grey wire is taking the permanent live from terminal 1 to the valve, and the orange wire is taking the switched live to terminal 10 and then to the boiler.
View attachment 338226View attachment 338227
View attachment 338228
You're not looking close enough, forget about the naming of the switch positions, look at the diagram of the switch. The switch is drawn the opposite way around between the 5 wire and 6 wire wiring diagrams resulting in the wiring colours being different.

Let's agree to disagree.I think you're the one who's been hung up on the names!
How is this:
View attachment 338229
Different from this? (apart from the extra wire)
View attachment 338230
If you need to find a tradesperson to get your job done, please try our local search below, or if you are doing it yourself you can find suppliers local to you.
Select the supplier or trade you require, enter your location to begin your search.
Are you a trade or supplier? You can create your listing free at DIYnot Local