I have looked at hundreds of threads in this and other forums but can not seem to find a definitive answer.
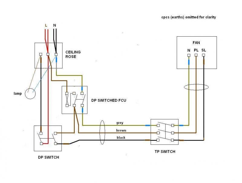
I am about to fit an in-line fan with timer in bathroom, I have done this many times before so know the general Idea,(about 30years ago) but now the MI's are stating an FCU with 3amp fuse is fitted, this will be in addition to the triple pole fan isolator.
So where does this actually go, I have seen many diagrams showing only live or switched live passing through the FCU which appears to defeat the object or breaking into the wiring prior to the bathroom lights, which puts all the remaining lights through the FCU,
So other than changing the wiring circuit so the bathroom lights are not on the ring but are effectively a spur off the ring could someone give any Ideas , Diagrams advice etc..
Many thanks in advance
DD
I am about to fit an in-line fan with timer in bathroom, I have done this many times before so know the general Idea,(about 30years ago) but now the MI's are stating an FCU with 3amp fuse is fitted, this will be in addition to the triple pole fan isolator.
So where does this actually go, I have seen many diagrams showing only live or switched live passing through the FCU which appears to defeat the object or breaking into the wiring prior to the bathroom lights, which puts all the remaining lights through the FCU,
So other than changing the wiring circuit so the bathroom lights are not on the ring but are effectively a spur off the ring could someone give any Ideas , Diagrams advice etc..
Many thanks in advance
DD
