Boiler Thermostat

Joined
12 Mar 2020
Messages
2
Reaction score
0
Country
United Kingdom
I’m looking to change a Honeywell T45 to a Honeywell T6R HW. Y plan system boiler with existing thermostat in the hallway and control box next to the boiler.
Can anyone tell me which wires go where and which ones will become obsolete when I take out the old rotating thermostat from the hallway?

Read more: https://www.diynot.com/diy/threads/honeywell-t6r-hw.540818/#ixzz6GVjcRp5X
 

Attachments

  • A4694361-B616-4115-A481-B89C34B07555.jpeg
    A4694361-B616-4115-A481-B89C34B07555.jpeg
    125.5 KB · Views: 475
You need to find the other end of the thermostat cable, disconnect all the wires, then join together the two wires that the Live and Switched live were connected to.

There might be a neutral as well which will need disconnecting.

upload_2020-3-12_21-45-33.png


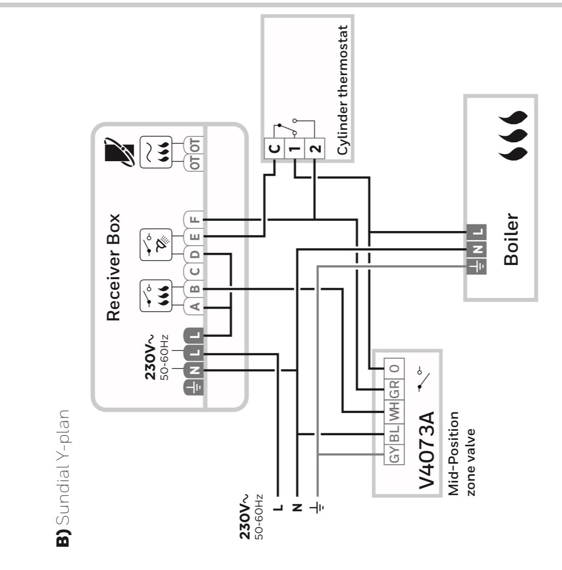
Here is a more useful diagram.

upload_2020-3-12_22-1-59.png
 
On your picture I see 8 labels and 7 terminals if there is an unused terminal not seen below there is clearly no wire going to it, with Y Plan the normal closed water heating terminal is used, so some thing wrong.

Normally a wiring centre (junction box) is fitted near the mid position motorised valve, into this junction box the wall thermostat is normally wired between the white wire from motorised valve and the central heating run wire from the programmer (time switch).

Much depends on what boiler is fitted, with oil likely no change, with gas depends on make and if opentherm enabled or not.

On @EFLImpudence bottom diagram it does not show Com this is connected to Line internally with some programmers, your old one there are at least one link, but would have expected two.
 

If you need to find a tradesperson to get your job done, please try our local search below, or if you are doing it yourself you can find suppliers local to you.

Select the supplier or trade you require, enter your location to begin your search.


Are you a trade or supplier? You can create your listing free at DIYnot Local

 
Back
Top