- Joined
- 12 Mar 2020
- Messages
- 2
- Reaction score
- 0
- Country

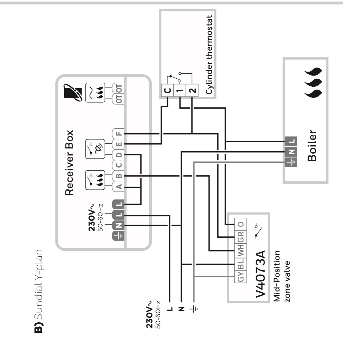
I’m looking to change a Honeywell T45 to a Honeywell T6R HW. Y plan system boiler with existing thermostat in the hallway and control box next to the boiler.
Can anyone tell me which wires go where and which ones will become obsolete when I take out the old rotating thermostat from the hallway?
thanks
Can anyone tell me which wires go where and which ones will become obsolete when I take out the old rotating thermostat from the hallway?
thanks