Newbie Post so please be gentle!
I have a circa 1980's Friedland 107 Door Bell Chime (connected to a simple Bell Push)
and it is connected via the usual bell wire to a Transformer next to the CU which is a Friedland 752 (8v / 1amp) :
and I would like to add a 2nd Door Chime at the other end of the house.
I have bought the newer version of the original Chime - a Friedland (Honeywell) D107 so it is similar in looks and sound.
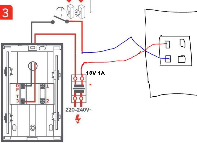
The original Door Chime is wired like this :
Coming out of the Transformer at the CU is 2 wires :
The new Door Chime is around 10m cable distance away.
How best to I tap into the original circuit to add the 2nd Door Chime, and what terminals on the new Door Chime should I connect it to?
Any advice would be very much appreciated
I have a circa 1980's Friedland 107 Door Bell Chime (connected to a simple Bell Push)
and it is connected via the usual bell wire to a Transformer next to the CU which is a Friedland 752 (8v / 1amp) :
and I would like to add a 2nd Door Chime at the other end of the house.
I have bought the newer version of the original Chime - a Friedland (Honeywell) D107 so it is similar in looks and sound.
The original Door Chime is wired like this :
Coming out of the Transformer at the CU is 2 wires :
The new Door Chime is around 10m cable distance away.
How best to I tap into the original circuit to add the 2nd Door Chime, and what terminals on the new Door Chime should I connect it to?
Any advice would be very much appreciated
