Twin socket extension boat

Sorry sent wrong link.
Yes it is the type F, actually the one I have is right angled and due to the flap on the socket could not be inserted upside down anyway.
This is the one:
 

Attachments

  • Screenshot 2025-11-05 222604.png
    Screenshot 2025-11-05 222604.png
    254.1 KB · Views: 38
Last edited:
Is the Schuko socket protected by a 10 or 16 A MCB?
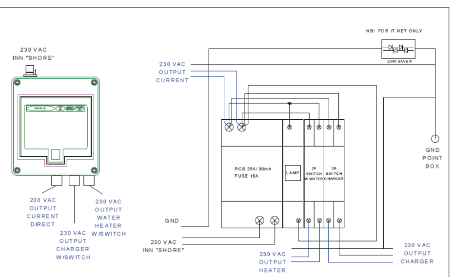
All sockets protected by a 16A RCB (see attached) for shore power. There is also a generator on board which I assume has been correctly installed and would be covered ?
 

Attachments

  • Screenshot 2025-11-06 110930 copy.png
    Screenshot 2025-11-06 110930 copy.png
    74.5 KB · Views: 37
Thanks to all for the informative replies and help, I have learned from this, much appreciated (y)

Also apologies for hijacking and confusing my own thread by diversion to a separate issue - but between you all have managed to kill 2 birds with one stone :D:cool:
 
If you ever want to replace those sockets, some EU manufacturers offer 13 A grid modules as a drop-in replacement.
 
Is there any reason as to why the new sockets can't be "normal" 13a sockets rather than schucko? You could just move the internal socket the outside of the cabinet.
 
If you ever want to replace those sockets, some EU manufacturers offer 13 A grid modules as a drop-in replacement.
I have made a small alteration to my original post as in re reading it was not particularly well thought out i.e. confusing :oops:

For the sockets that have been fitted in cupboards I have purchased twin C line surface mounted (image attached) to be positioned on the outside face of the cupboards. Rather than remove the original sockets I have decided to leave them as is and just wire the new C line sockets as a fixed plug in extension and run the cabling up in trunking, thereby keeping the original system intact at least for now (other than the holes in the cupboards) :LOL:

As to the Schuko type there is only one double socket fitted currently with one in use. The plan is to now use the spare Schuko to run a lead into the engine bay which will serve to allow a couple of tube heaters on a Powertxt unit to automatically switch on when temperature drops below a certain point and off again once the temp back to normal level.
 

Attachments

  • s-l960.jpg
    s-l960.jpg
    146.8 KB · Views: 26
Is there any reason as to why the new sockets can't be "normal" 13a sockets rather than schucko? You could just move the internal socket the outside of the cabinet.
Thanks for the reply

Apologies you have fallen victim to my poorly worded thread. I have now made a small alteration to the original.

I think I must have had a brain fart and the word Schuko stuck in my head along with shore power etc. The existing sockets are 'normal' and as explained above rather than move them I will extend the new sockets as if a fixed extension lead
 
I was only referring to that one double socket mentioned in your last post. If you ever want to replace that, you can get UK sockets that fit the existing back boxes, presumably round boxes with holes for 3.2 mm sheet metal screws spaces 60 mm apart.
 
I do not really think there is a problem with Schuko or 13 amp sockets, I know my son's boat had a warning lamp to say if reverse polarity, and his shore supply only powered a class II battery charger, all the boat's 230 volt sockets were supplied from the inverter, so the shore supplies earth did not connect to the boat.

However, if inspected, it depends on how pedantic the inspector is, Schuko sockets are not permitted in the UK, you can have Schuko plugs, and 13 amp to Schuko adaptors, but not a fixed Schuko socket to comply with BS7671.

BS7671 also requires the use of the blue plug and socket for the main supply to the boat, I am not sure about the RCD, poor name as easy to get recreational craft directive (RCD) and residual current device (RCD) mixed up. He fell foul of the RCD with his AGA stove, and I could see no problem with it, and the use of the diodes in the earth I know are required, but it goes against the grain. The idea is you can have 1.2 volts before any earth current flows, so it does not damage the hull, I see you have it fitted
1762535953204.png
but with a plastic hull not sure if it is required or wanted? The idea with a metal hull is the hull as a very good earth, not so with a plastic hull, and since piloting a narrow boat seems to be a contact sport, not sure, I like the idea of a plastic hull.

I would suggest going on a narrow boat forum, as it is really a specialist subject.
 
709.553.1.8 Socket-outlets shall comply with BS EN 60309-1 above 63 A and BS EN 60309-2 up to 63 A.
553.1.2 Except for SELV or a special circuit from Regulation 553.1.5, every plug and socket-outlet shall be of the non-reversible type. With provision for the connection of a protective conductor.
 
Not sure how much difference this makes and I am certainly not familiar with any of the BS EN, ISO or other factors relating to boats and electrical safety and rules and regs. Additionally much of this is beyond my pay grade :unsure:
I do however have faith that the vessel has undergone checks and approval in its home country Norway and in the UK and complies with regs.

The boat in question is a twin engined GRP sports cruiser that spends its life in the ocean. My understanding about this type of vessel, (admittedly limited), is that the ground point in the boat is the engine/s block which connects to the battery negative terminal. From the engine ground straps will lead to submerged metal parts additionally railings, winches and other metallic parts must be bonded to ground as will be the case with any AC sockets.
 

If you need to find a tradesperson to get your job done, please try our local search below, or if you are doing it yourself you can find suppliers local to you.

Select the supplier or trade you require, enter your location to begin your search.


Are you a trade or supplier? You can create your listing free at DIYnot Local

 
Back
Top