- Joined
- 15 Jul 2017
- Messages
- 4
- Reaction score
- 0
- Country

1st, I am NOT a qualified electrician. But as well as finding lots of good advice here - I have come across some interesting debates when DIY'ers (like me) ask about how to do something. Sometimes in the process we amateurs demonstrate a really dangerous lack of knowledge - which is no doubt why the regulations restrict who can do electrical work. Having said all that, I'd like to ask what is the right way to work given the reality (see below) which often leads to DIY'ers being tempted to TRY and do some work - hopefully properly if they can find the right advice.
Some background, back when it was still legal I did my own electrical work having been taught as a teenager by my father who was trained as an electrician and radio engineer in the RAF. I then updated myself with the reference material I could find. Having read all I could and taken advice, I wired my own first house before we moved in. I also had my work informally checked by a friend who was a trained electrician. Now of course I can't do that - which I accept. A few years later I then repeated that on my second home - it was still legal. I only did minor work on my current house, and then the regulations changed.
Like some other DIYers on here I have used fully qualified Electricians for several medium sized building and related electrical projects. Some work has been very good, but some, by electricians working for highly reputable contractors has been very poor - including work to replace a consumer unit 10 years ago which was shocking (in both senses of the word).
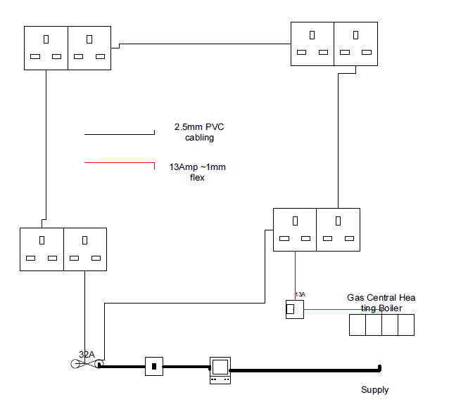
I am now helping my daughter buy and renovate her 1st home. The house is empty during the renovations. Money is tight but when I did a visual inspection of what was on the face of it a relatively up to date installation (not Amendment 3 compliant though) with my limited knowledge I found dozens of things I consider basic faults many of which appear to pre-date the most recent inspection certificate! None of these faults was highlighted by the general building survey (which glibly says "all appears to be in good order") and there is no requirement for new homeowners to re-test. It wasn't hard to find missing earth sleeving, and some missing earths, missing grommets, broken patress boxes, a flex used to connect a 32amp ring main junction box under the floor to a fused spur for a recently installed central boiler etc etc.!
So given the scale of the issues and the other building work I faced a dilemma. a) we couldn't afford to pay an Electrician to do everything that was needed, b) the Electrician I do trust was not available in time and c) I have doubts about quality of some work by others - the bottom line is, given the regime of self inspection how do I know it's really fit for purpose? Apologies to all you thorough, professional and careful electricians - sadly my experience is that not everyone is as diligent as they could be. And in the end, who is more motivated to complete a safe installation a Dad or a paid contractor - and of course that ignores capability!!
Faced with this dilemma I spent a great deal of time on research - initially to find whether I could undertake the work IF I could find someone to test and certify it. Then to get sufficient knowledge to do the work so it had a chance of passing inspection. I eventually found a specialist Part P inspection firm and appointed them with the agreement of Building Control.
I then bought and read the latest wiring regs, and the Site Guide and Inspection and Certification Guide. I watched as many training videos as a I could - covering all sorts from basics to how to carry out Continuity of Conductors and Insulation Resistance tests - so I could be satisfied things were in good order before getting the professional inspector in. Also to make an informed decision on whether it was safe to re-use the circuits I plan to retain.
I downloaded all the inspection forms so I also knew what would be checked and what extra documentation I should have ready. I read forums on specifics that I wasn't sure of and was amused to find the wide range of areas where there are multiple opinions: e.g. Do I need a fused spur mounted above the counter for each kitchen appliance? Can I mount a supply to a dishwasher on a permanently installed kitchen base unit under a sink? Should I cross bond an isolated section of 3 x Central heating radiators connected by copper pipework when both ends of the supply to them is in plastic?
Then I set about doing a detailed Installation design - from basics such as a circuit list with rating and number of sockets etc, to the exact spec of consumer unit, zonal layout of the bathrooms and IPx4 rating of bathroom fittings. For the consumer unit, I settled on a 5+5+2 set-up so the Fire Detection system could be isolated from the RCDs and then used the other "unprotected" circuit to host an RCBO for a waterproof Garden socket. I documented how the MCB's and RCBO's should be arranged, and checked the spec for an Amendment 3, 100amp Isolation switch from the incoming tails before they get to the consumer unit.
Then it was on to buying in all the kit and getting on with first fix. I taught my daughter and son-in law how to cut in all the locations for boxes in correct locations and how to work through each cable run. Then a check of the cable and carefully run it in the pre-determined cable runs and clip it securely in place. Then followed my own visual inspection - grommets in place, no nicks or damage to cable, all runs in safe locations so that everything was ready for my first fix inspection.
The first inspection went well, so, so far so good - almost all to spec (apart from two cables in an incomplete riser that can't be clipped until some pipework is complete). Also got good advice from the Inspection engineer - and recommendation to watch the Wylex youtube on the changed Consumer Unit installation process - self sealing grommets plus trunking to increase fire protection and making sure to run both tails through a single gland etc.
So next will be second fix and my own testing of all the (disconnected) circuits with a hired multi-function tester. And then the moment of truth - the final test and inspection. I'm drawing the line at doing tests 3&4 at the moment and will leave to the professional.
This is NOT a lazy option - it has required many hours of work - on top of having gained experience doing quite a lot of electrical work when it was still legal. But, I get it, that is NOT the same as all those years of going to college and getting qualified. My study has been limited to these specific requirement. There is a risk I may have not thought of something I should have. I am NOT trying to do my own Part P testing - I WANT someone qualified to check it all and I am happy to pay a fairly significant fee for doing so. That fee is viable for a bigger project but would not be economic for a few sockets or installation of a single circuit. And remember, that the firm I am using to do the inspections and testing, do this all day every day mostly checking work done by "unqualified" installers working for councils and similar. It's not just DIY'ers like me who benefit from independent inspection and testing - is it?
So what do people think? Will I pass the inspection? Should I pass it? Is it OK for unqualified people to do what I have and to some extent really on a third party to inspect and test?
Some background, back when it was still legal I did my own electrical work having been taught as a teenager by my father who was trained as an electrician and radio engineer in the RAF. I then updated myself with the reference material I could find. Having read all I could and taken advice, I wired my own first house before we moved in. I also had my work informally checked by a friend who was a trained electrician. Now of course I can't do that - which I accept. A few years later I then repeated that on my second home - it was still legal. I only did minor work on my current house, and then the regulations changed.
Like some other DIYers on here I have used fully qualified Electricians for several medium sized building and related electrical projects. Some work has been very good, but some, by electricians working for highly reputable contractors has been very poor - including work to replace a consumer unit 10 years ago which was shocking (in both senses of the word).
I am now helping my daughter buy and renovate her 1st home. The house is empty during the renovations. Money is tight but when I did a visual inspection of what was on the face of it a relatively up to date installation (not Amendment 3 compliant though) with my limited knowledge I found dozens of things I consider basic faults many of which appear to pre-date the most recent inspection certificate! None of these faults was highlighted by the general building survey (which glibly says "all appears to be in good order") and there is no requirement for new homeowners to re-test. It wasn't hard to find missing earth sleeving, and some missing earths, missing grommets, broken patress boxes, a flex used to connect a 32amp ring main junction box under the floor to a fused spur for a recently installed central boiler etc etc.!
So given the scale of the issues and the other building work I faced a dilemma. a) we couldn't afford to pay an Electrician to do everything that was needed, b) the Electrician I do trust was not available in time and c) I have doubts about quality of some work by others - the bottom line is, given the regime of self inspection how do I know it's really fit for purpose? Apologies to all you thorough, professional and careful electricians - sadly my experience is that not everyone is as diligent as they could be. And in the end, who is more motivated to complete a safe installation a Dad or a paid contractor - and of course that ignores capability!!
Faced with this dilemma I spent a great deal of time on research - initially to find whether I could undertake the work IF I could find someone to test and certify it. Then to get sufficient knowledge to do the work so it had a chance of passing inspection. I eventually found a specialist Part P inspection firm and appointed them with the agreement of Building Control.
I then bought and read the latest wiring regs, and the Site Guide and Inspection and Certification Guide. I watched as many training videos as a I could - covering all sorts from basics to how to carry out Continuity of Conductors and Insulation Resistance tests - so I could be satisfied things were in good order before getting the professional inspector in. Also to make an informed decision on whether it was safe to re-use the circuits I plan to retain.
I downloaded all the inspection forms so I also knew what would be checked and what extra documentation I should have ready. I read forums on specifics that I wasn't sure of and was amused to find the wide range of areas where there are multiple opinions: e.g. Do I need a fused spur mounted above the counter for each kitchen appliance? Can I mount a supply to a dishwasher on a permanently installed kitchen base unit under a sink? Should I cross bond an isolated section of 3 x Central heating radiators connected by copper pipework when both ends of the supply to them is in plastic?
Then I set about doing a detailed Installation design - from basics such as a circuit list with rating and number of sockets etc, to the exact spec of consumer unit, zonal layout of the bathrooms and IPx4 rating of bathroom fittings. For the consumer unit, I settled on a 5+5+2 set-up so the Fire Detection system could be isolated from the RCDs and then used the other "unprotected" circuit to host an RCBO for a waterproof Garden socket. I documented how the MCB's and RCBO's should be arranged, and checked the spec for an Amendment 3, 100amp Isolation switch from the incoming tails before they get to the consumer unit.
Then it was on to buying in all the kit and getting on with first fix. I taught my daughter and son-in law how to cut in all the locations for boxes in correct locations and how to work through each cable run. Then a check of the cable and carefully run it in the pre-determined cable runs and clip it securely in place. Then followed my own visual inspection - grommets in place, no nicks or damage to cable, all runs in safe locations so that everything was ready for my first fix inspection.
The first inspection went well, so, so far so good - almost all to spec (apart from two cables in an incomplete riser that can't be clipped until some pipework is complete). Also got good advice from the Inspection engineer - and recommendation to watch the Wylex youtube on the changed Consumer Unit installation process - self sealing grommets plus trunking to increase fire protection and making sure to run both tails through a single gland etc.
So next will be second fix and my own testing of all the (disconnected) circuits with a hired multi-function tester. And then the moment of truth - the final test and inspection. I'm drawing the line at doing tests 3&4 at the moment and will leave to the professional.
This is NOT a lazy option - it has required many hours of work - on top of having gained experience doing quite a lot of electrical work when it was still legal. But, I get it, that is NOT the same as all those years of going to college and getting qualified. My study has been limited to these specific requirement. There is a risk I may have not thought of something I should have. I am NOT trying to do my own Part P testing - I WANT someone qualified to check it all and I am happy to pay a fairly significant fee for doing so. That fee is viable for a bigger project but would not be economic for a few sockets or installation of a single circuit. And remember, that the firm I am using to do the inspections and testing, do this all day every day mostly checking work done by "unqualified" installers working for councils and similar. It's not just DIY'ers like me who benefit from independent inspection and testing - is it?
So what do people think? Will I pass the inspection? Should I pass it? Is it OK for unqualified people to do what I have and to some extent really on a third party to inspect and test?