Hive Heating and Hot water Installation

Hi Stem, thanks, I have the Hive 2 channel receive. So I dont have a common.
I have HW off HW on CH On CH off

I have found those wires except the H/W off or is that switched live? I dont know if you read my original post
 
Last edited:
I know you have the dual channel Hive. That's clear, and is what you should have. The problem is that your existing timer is only a single channel timeswitch. OK so you say you have found the 'Heating on' and 'Hot water on' wires. But you may also need 'Hot water off' but only if you have a Y-Plan.

You say "I think I have a Y Plan". If you do, it will need a 'hot water off' signal to work. So, do you have a Y-Plan? If so, it will have one motorised valve looking something like below with 3 pipes connected to it. If you do, check that it's cable has white, blue, orange and grey wires, & maybe an earth (but no brown wire). The grey wire will be connected to the hot water off. Can you find it?


If on the other hand you have an S-Plan with two valves (one for heating and one for hot water) each with two pipes attached, something like this:


Then you won't need the heating off signal, so it's important that you find out first for certain if you have a Y-Plan or S-Plan.
 
ah Cheers stem I have the bottom one which I think is a spring loaded. But it controlls both Heating and hotwater?

So I can Have HW only or Heating + HW I dont thinkI can have Heating only
 
OK, so it's becoming a little clearer. If I understand that correctly then, the boilers timer presently will switch on the boiler and pump, which will start heating the hot water cylinder. Then you have just one 2-port motorised valve that is wired to the room thermostat and when that opens, the radiators come on.

I would imagine then, that you don't have a hot water thermostat something like the image below strapped to your hot water cylinder about one third of the way up from the bottom either.


I have the bottom one which I think is a spring loaded. But it controlls both Heating and hotwater?
If they are both connected to the same 2-port valve, it would not be possible to have the hot water 'on' without the heating also being on, and the room thermostat would also turn off the hot water.

Hive Model (1).jpg

I suspect that the heating will be connected to the outlet from the valve and the hot water directly fed from the pump side. So when the valve closes the water stops flowing to the radiators but can continue to supply the hot water cylinder.

22.jpg
 
Last edited:
EDIT : No I dont have a Thermostat on the HW.

The room thermostat at the moment just turn on and off the valve you have to use the boiler timer to switch on the boiler. I just looking to use Hive to do the same If I can control the valve though Hive but also wsitch on the Boiler that would be what Im looking for. Can the 2 port do that or do I need the Common ? version of Hive ?
 
I know you want to get the Hive connected. But first it is necessary to understand how your system is configured, in order to know where it should be connected to and even if it is suitable at all. So please just answer the following question yes or no. When the timeswicth is 'on' and the room thermostat turns off the 2-port motorised valve and it closes. Does the boiler and pump stay on?
 
I remember my old heating system, the hot water was thermo syphon and the central heating pumped, however once the central heating had been running the central heating would also thermo syphon, my cure was to fit a second boiler for hot water only, instant heat type, but I can see where some one may fit a motorised valve to stop central heating thermo syphon on the upper floors.

Also you have Irish flag, and the Irish have a very clever system rarely seen in the UK called the Willis system, this has a small tank on the side of the main cylinder and is piped in a way so water is heated from top down rather than from the bottom, this means minutes after switch on you have hot water, you don't need to wait for whole tank to heat, also used with solar panels.
 
Unfortunately your system is not sophisticated enough to work properly with the Hive. Ideally, it should be converted to a Y-Plan or S-Plan by changing the motorised valve / plumbing and adding a cylinder thermostat. This is the only way that you can get the totally separate control of the hot water and central heating that the Hive provides. It appears that your plumbing is presently an antiquated design that was superseded over 30 years ago. Trying to fit modern technology like the Hive to such an outdated design of plumbing system is not ideal, and some of the features of the Hive won’t be available to you.

However, it can be installed and the Hive has a special setting for old systems, but you will lose some of its functionality. When setting up the Hive, it will need to be set to “Gravity Feed Mode” otherwise the boiler will not come on when the heating is required.

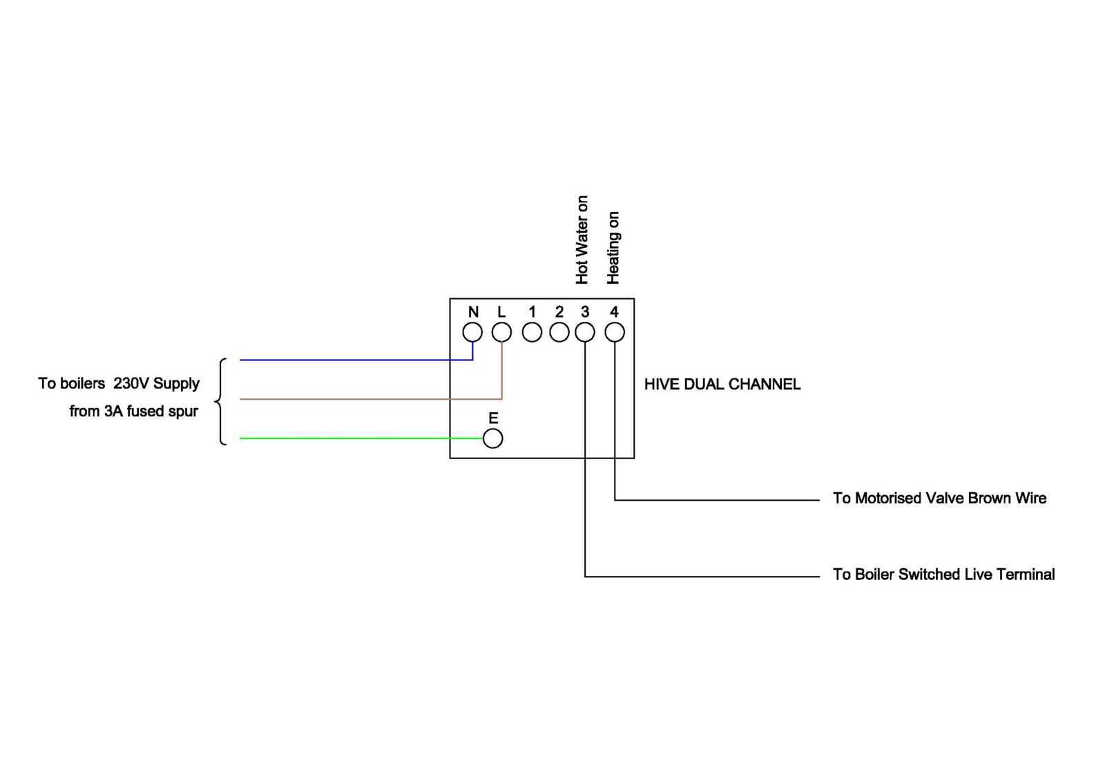
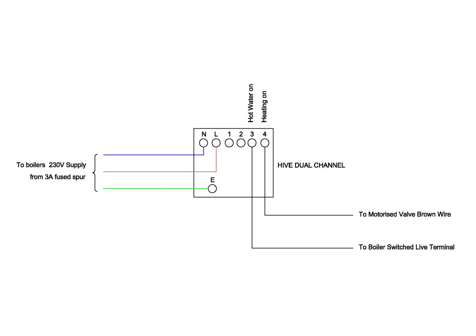
Here's how the Hive should connect.

Hive Model (1).jpg

The wire presently going to the brown wire at the motorised valve should be removed and made safe.
The wire presently going to the boilers switched live should also be removed and made safe.

Edit
Which actually gets us back to what you had figured out in the first place.
N - N
L - L (From the Junction box which connect to 3amp Fused Spur)?
1 HW Off - No Cable
2 CH Off - No Cable
3 HW On - new cable to Brown Cable (Swicthed Live )
4 Heating On - wire Connection to 2nd Black wire in Boiler Switch Live

It was the Y and S Plan diagrams you posted and the comment below that led me to believe you had something different.
I think I have a Y Plan with a Valve for either Hot water or Heating and Hotwater.
 
Last edited:
Thanks Stem for all you comments Appreciated. Yes I though the system setup wasn't the best. I will look again to see if there is a thermostat on the cylinder but I don't remember seeing one. The cylinder was put in 10 years when we had solar tubes put in so it might have one Ill take some pics tonight
 
waterheat250.jpg
The Willis system the solar version is shown, is found all over Northern Ireland, but never really found it's way to mainland UK, the idea is two fold, one it heats from top, and two you don't need a hot coil inside the main cylinder so converting from back boiler to immersion heater, central heating or solar panels did not need a collar or hot coil fitting, I note your Irish flag, so am pointing out you may have this system, and since not used on the mainland not a clue where the thermostat would be fitted. You may not have it fitted, in which case all what Stem says is good. He is about the best on here, so if it can be sorted he will do it. However as said this could mess things up by not looking in the right place for a thermostat.
 
mines a winmax system - Company went bust like a lot of them it has a Sorel control unit P1060389.JPG
 
If there is a cylinder thermostat, it will be for the solar system. There doesn't appear to be anything on the boiler related part to wire a cylinder thermostat to. Interesting about the solar system, I haven't come across one in the UK.

Was this part of the government sponsored initiative that came in for a lot of criticism? If so I'm not surprised. It's bad enough that there isn't (or doesn't appear to be) any thermostatic control of the hot water system when heated from the boiler in the first place, but it's even worse when you consider that it will keep on pumping hot water from the boiler around the hot water cylinder wasting energy unnecessarily when it may have already been heated by solar.
 
There is a head dump pump that will come on if the HW gets above 70 I think. On the Boiler there is a temp dial I keep below that number so that pump dosent come on. Yes there was a grant ..... Solar done ok for me in 10 years not really turned on the boiler in Summer usually from April - September. But the issue is if you just want to have Rads on only. So thats not possible without a 3 way

Gary
 
To get the possibility of having just the radiators on without the hot water, you would need to:

Replace the existing 2-Port valve with a 3-Port valve that can divert the hot water from the boiler to either just the radiators, just the hot water cylinder, or both together (Y-Plan)

Or add a second 2-Port valve that opens / closes the supply to the hot water cylinder, in the same way that the one for the radiators already does (S-Plan)

Both of the above systems, when wired in conjunction with a cylinder thermostat will stop water from the boiler flowing through the hot water cylinder once it is hot. When both the Heating and Hot Water are up to temperature, the boiler and pump will shut down and save energy.

At the moment, hot water from the boiler will continue to circulate through the hot water cylinder whenever the the boiler is on. When heating is also required the motorised valve will open and let water flow to the radiators, but the water will still continue to circulate around the hot water cylinder even if it is already hot, as there is nothing to stop it doing so.

You can't have only radiators 'on', because all that would do is open the motorised valve. The hot water also has to be 'on' at the same time to fire up the boiler and pump.

You can have hot water only, because the radiators are off when the motorised valve closes, and the boiler and pump continue to run supplying just the Hot Water cylinder.
 

If you need to find a tradesperson to get your job done, please try our local search below, or if you are doing it yourself you can find suppliers local to you.

Select the supplier or trade you require, enter your location to begin your search.


Are you a trade or supplier? You can create your listing free at DIYnot Local

 
Back
Top