That's up to you and what you want to achieve really.
It's a long time since I've seen one, but if I remember correctly the Powermax has an in built thermal store for hot water, but still has a two channel programmer for timed control of the hot water. In which case it would be slightly unusual to leave an existing programmer in place that has heating and hot water control, and only use the hot water part, whilst controlling the heating from elsewhere, but you could.
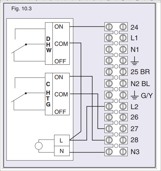
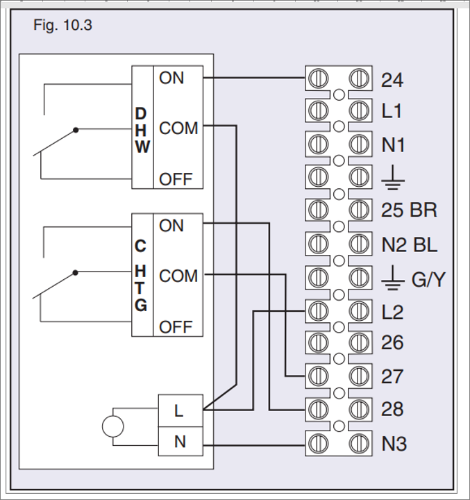
Normally the Nest / Hive (other makes are available

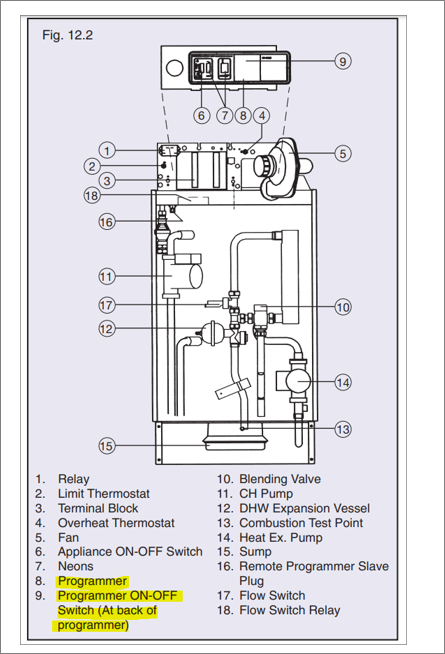
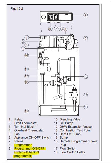
) replaces the existing programmer & thermostat completely. The wires are moved from the original programmer to the terminals at the new one that have the same function, and the existing room thermostat decommissioned. If your boiler is one that has the existing programmer as an integral part of the boiler it can be more difficult to replace than one that is mounted separately elsewhere.
The Nest comes with both heating control and hot water control as standard. With Hive you choose from a single channel (heating only) or a dual channel (heating and hot water)
If you really wanted to, you could use Nest / Single Channel Hive in place of an existing room thermostat and just use it to control the heating. If you did this, the existing time control for the heating and hot water would be left as it is. However, the heating part would need to be set to be permanently 'on' thus allowing the new controls to take over control of the heating.