Hi everybody, hope someone can help please.
My old Farfisa handset 724N has given up and I need to replace it.
It suddenly stopped delivering sound from the door to inside the flat, the technician said the is a short and i must buy a new one.
I bought this model PT510EW, the store told me it will fit as a replacement for the 724N.
When i tried to replace it i found that all the connections and terminals are the same, except one terminal is not the same in the 2 handsets.
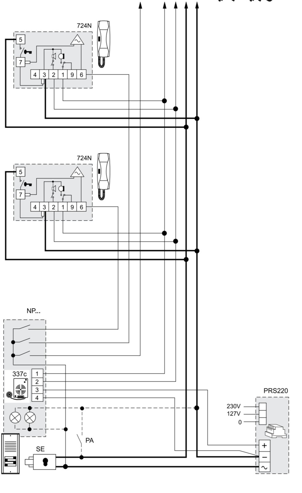
the old one" 724N" has an unused terminal 9 there is a screw but without any wires and a there is a wire connected in terminal 6.
The new one "PT510EW" has a screw in terminal 9
and terminal 6 is empty no screw
thethe man shows that i should put a wire in terminal 9.
i guessed that the 6 in the old one maybe the 9 in the new one and i went ahead making the connections
Every thing is working good except the bell Can anyone help?
The new PT510EW manual

The old "724N" Manual

this is the old "724N" before uninstalling it

On the right side is the new "connected"
On the left side is the old "disconnected"

FYI: The system is a single entry door lock and multiple flats with handsets.
My old Farfisa handset 724N has given up and I need to replace it.
It suddenly stopped delivering sound from the door to inside the flat, the technician said the is a short and i must buy a new one.
I bought this model PT510EW, the store told me it will fit as a replacement for the 724N.
When i tried to replace it i found that all the connections and terminals are the same, except one terminal is not the same in the 2 handsets.
the old one" 724N" has an unused terminal 9 there is a screw but without any wires and a there is a wire connected in terminal 6.
The new one "PT510EW" has a screw in terminal 9
and terminal 6 is empty no screw
thethe man shows that i should put a wire in terminal 9.
i guessed that the 6 in the old one maybe the 9 in the new one and i went ahead making the connections
Every thing is working good except the bell Can anyone help?
The new PT510EW manual

The old "724N" Manual

this is the old "724N" before uninstalling it

On the right side is the new "connected"
On the left side is the old "disconnected"

FYI: The system is a single entry door lock and multiple flats with handsets.
Last edited:

