









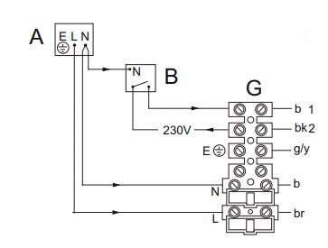
I have a Logic 35 combi boiler.
Hi guys, sorry to bring up an old thread
The boiler is a Potterton Assure 36 Combi.
Ah sorry my badboth OP's have similar names.
If you need to find a tradesperson to get your job done, please try our local search below, or if you are doing it yourself you can find suppliers local to you.
Select the supplier or trade you require, enter your location to begin your search.
Are you a trade or supplier? You can create your listing free at DIYnot Local