Need a time delay circuit for my float switch and 12v pump?

I have been down to the machine today and re-wired it up as above
I had thoughts in the back of my mind about the above and it came true!!!
The lower float switch has some how split (the one I substitute from the low water engine stop) showing a no circuit all the time no matter what direction the magnet is in
I have tried taping it just like before but it still insists to show no circuit what ever
And now it is completely knacked
So what next bright sparks?

This post just seems to be going round in circles. The bottom float switch is broken. Buy a new float switch and fit it to the tank.

Then, as at least five people must have already said, use a control system with latching contact on the lower 'fill' switch, and have the upper 'full' switch break the latch. This WILL eliminate the bounce, and it's very simple, but you seem to have some compulsion not to replace the broken fault switch.
 
Yep, you need to buy a new switch. Just noticed that you asked about why I drew the switches the other way around, there is no reason for it other than to keep the schematic neat - that and I am more used to dealing with them emptying tanks as opposed to filling but the principle is the same.
 
I will agree that the liquid control units are designed for probes rather than floats but if one wants you can still use a float which I have done where there were suds on the water which was upsetting the probes.
But since his floats are US anyway why not use probes?

Seems to me he wants to fix it spending no money and without the knowledge required to manufacture any control circuits. The diagrams given by AquaHydroChem and Spark123 should have done the job.

I am loathed to make up electronic boards for a one off job as someone in the future is going to really be scratching their head at how to fix. Although I gave the rough design for using a 555 timer at that time I thought it was a home project for fun no a commercial venture.

As already said the use of a PLC will do all he wants but most PLC's I have used are either 230vac or 24vdc so some device would be needed to boost voltage. And far more expensive than a new float.
 
A set of stainless probes and ensuring they remain isolated from each other and the tank (if metal) are going to cost more than a float switch.
 
As it is a simple requirement of starting a pump when liquid is at one level and stopping the pump when it is at another level then the two float switches and latching relay is the simplest and most reliable system to control the pump.

The extra relay will add a bit to the price and time to manufacture and that may be why the present design pushes the switches to their limits of endurance.

If ( and I am not looking at the circuit diagram ) there are other functions that the switches affect then use slave relays operated by the switches.

It is far easier to change a plug in relay with welded contacts than to un-wire and then mechanically replace a float switch with welded contacts.

Your choice...

[1] Spend a bit of money now and have peace of mind that future repairs will be just a change of a relay ( circa £3 ) and five minutes loss of use of the machine if you have kept a spare relay available. (24 hours if you have to buy one )

[2] Scrimp on the repair now and have a repeat or similar fault and head scratching some time in the future. Quite soon if the float switches cannot cope with the currents they have to switch.
 
A set of stainless probes and ensuring they remain isolated from each other and the tank (if metal) are going to cost more than a float switch.

I totally agree. But if he is worried about water sloshing and wants to add timers to minimise this then he needs to spend money and fit a device not home made to do this. On the other hand if he does not require timers to stop this then you have already given him a good circuit diagram and there is no need to modify what you and AquaHydroChem have already done.

As to running on a single float then yes using a PLC he could use a float to change a mark / space relationship that runs to pump according to how often the float is activated. But far far simpler to just fit another float or probe.

And I have no intention of writing a PLC program as if he is too tight to buy another float he will not be fitting a PLC.

Until he returns I think we have given him all the advice he needs. I don't like the idea of using 555 timers as with these projects in the past I have found things like voltage ripple can completely mess up something that works A1 on a test bed. And unless designing for many units it is not worth the testing involved and minor mods for a one off project.
 
Surely unless you're carrying out some industrial process which hardly anybody else has ever done there must be an off-the-shelf system you can get which will turn a pump on and off in the manner you describe?

Well when you found it I’ll have one

andyandy2";p="1138015 said:
I'm not sure what type of mixer tank you are talking about, but what about putting baffles in the tank to reduce the turbulence

The turbulence of water /bouncing of the float is not rely a problem
It the amount of water in the mixer tank that can be consume to the amount of water it can supply is nearly even
That’s why we have a rapid on off effect

This post just seems to be going round in circles. The bottom float switch is broken. Buy a new float switch and fit it to the tank. .
What’s the point in buying more switches just to blow them up again for the sake of silly bugers and yes going round in circles with the same old plan just a couple of wires swapped round that’s all

Then, as at least five people must have already said, use a control system with latching contact on the lower 'fill' switch, and have the upper 'full' switch break the latch. This WILL eliminate the bounce, and it's very simple, but you seem to have some compulsion not to replace the broken fault switch.

If you have something different to what I have tried then perhaps you could be so kind to show us a sketch and to stop all this insanity

ericmark";p="1139423 said:
I will agree that the liquid control units are designed for probes rather than floats but if one wants you can still use a float which I have done where there were suds on the water which was upsetting the probes.
But since his floats are US anyway why not use probes?

Seems to me he wants to fix it spending no money and without the knowledge required to manufacture any control circuits. The diagrams given by AquaHydroChem and Spark123 should have done the job.

I am loathed to make up electronic boards for a one off job as someone in the future is going to really be scratching their head at how to fix. Although I gave the rough design for using a 555 timer at that time I thought it was a home project for fun no a commercial venture.

As already said the use of a PLC will do all he wants but most PLC's I have used are either 230vac or 24vdc so some device would be needed to boost voltage. And far more expensive than a new float.

What do you mean by probs and plc’s
And the diagram has not worked and you can see why look!
I could even hear the switch burning out
Always wondered what that noise was in the past, thought it was the pump not getting enough power now I know it was the switches fizzling out

A set of stainless probes and ensuring they remain isolated from each other and the tank (if metal) are going to cost more than a float switch.

tank is plastic

[1] Spend a bit of money now and have peace of mind that future repairs will be just a change of a relay ( circa £3 ) and five minutes loss of use of the machine if you have kept a spare relay available. (24 hours if you have to buy one )

[2] Scrimp on the repair now and have a repeat or similar fault and head scratching some time in the future. Quite soon if the float switches cannot cope with the currents they have to switch.

so what are you saying buy latching relay or slave relays and wire it up as spark123 has shown

I totally agree. But if he is worried about water sloshing and wants to add timers to minimise this then he needs to spend money and fit a device not home made to do this. On the other hand if he does not require timers to stop this then you have already given him a good circuit diagram and there is no need to modify what you and AquaHydroChem have already done.
.

but its blown the switch so it dose not work


A set of stainless probes and ensuring they remain isolated from each other and the tank (if metal) are going to cost more than a float switch.

I totally agree. But if he is worried about water sloshing and wants to add timers to minimise this then he needs to spend money and fit a device not home made to do this. On the other hand if he does not require timers to stop this then you have already given him a good circuit diagram and there is no need to modify what you and AquaHydroChem have already done.

As to running on a single float then yes using a PLC he could use a float to change a mark / space relationship that runs to pump according to how often the float is activated. But far far simpler to just fit another float or probe.

And I have no intention of writing a PLC program as if he is too tight to buy another float he will not be fitting a PLC.

Until he returns I think we have given him all the advice he needs. I don't like the idea of using 555 timers as with these projects in the past I have found things like voltage ripple can completely mess up something that works A1 on a test bed. And unless designing for many units it is not worth the testing involved and minor mods for a one off project.

What is a plc?????????

_______________________________________
in the time I’ve been doing this and asking the question I am mind boggled to not of found an off the shelf system or mixer tank that dose all this
 
The only things I can think of now why the original manufactured schematic dose not work
Is there is some thing missing from it
Ever the original float switches wear designed for a heavy load, and to date I have not been able to find any that will hold such a load
Or it’s the tank fill solenoid that is missing that is causing the problem
But until I find out what a tank fill solenoid is and dose I’m no better off
And by the way it’s also called a hi-temp solenoid
Seams no one has ever herd of it
 
I have looked at wiring diagram and if "Live" is "Pos" then the current should not flow through diode. However is either AC or "Live" is negative then current will flow. In which case the diode across the coil is also wrong.

If DC and wrong polarity just turn diodes around if AC then swap relay to one with two sets of contacts.

For interest only as I think overkill in your case. A PLC is a programmable logic control they were called PC until IBM registered it as a trade name.
They have a number of inputs and outputs plus a load of timers that can inter react with the inputs and outputs so for example if it takes 30 secs to activate float it could be programmed to reduce delay and if under 20 secs to increase delay so one can get it to do all sorts of complex functions.

But at around £100 for cheapest not really what you need. I will try to redo your circuit in multi-sim and show different functions.

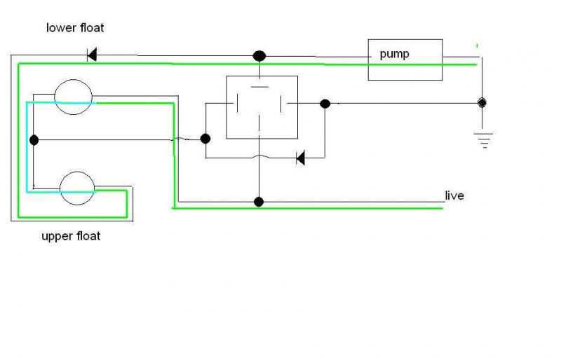
With water on way up we get pump not running as it reaches second float we get motor shown with lamp running from ammeters current not through floats. Then as water starts to fall we get the relay held on with current through diode and once dropped we get pump off.

Meters never show 0 it assumes some leakage but it can be seen circuit does work and no current through float switches. Left the back EMF diode out for charity.
 
NO!

How can you have ‘water on its way up’ if the pump/light is switched off
This is a ‘pump in pump’
not a ‘pump out pump’ you know

What’s the K in the diagram and what are the U1 and U2
 
What is a plc?????????

FAB_Series_High_Quality_Programmable_Logic_Controller_(PLC).gif


its a programmeable logic controller

out of the box they do nothing, you need the software to programme them an d the lead to upload it. They will do anything they are told to do.

so in your case, two inputs coud be used, each for a float switch and an internal timer could be set up so that an out put will not operate unless its supposed to (depending how it has been programmed)

But they are not cheap, and neither is the software
 
Dear god - PLC's? Diodes? 555 timers?

What is wrong with you all?

Here is the parts list:

2 float switches.
1 DP N/O contactor, or relay if you prefer that terminology. Maybe you'll need some kind of suppressor on the coil to stop back EMF - tell the manufacturer/supplier what the switches are like and ask their advice.

But that's it.
 
[And the diagram has not worked and you can see why look!
I could even hear the switch burning out
Always wondered what that noise was in the past, thought it was the pump not getting enough power now I know it was the switches fizzling out

No, the current cannot flow in the direction you have indicated on the diagram as the diode prevents this.
If you missed the diode out of the wiring then yes, you could overload the switch. As I have said on a number of occasions now, you need to fit the diodes. As you look at a diode the white line corresponds with the line across the diode on the diagram.

Or as Ban-all-sheds is heading for, double poled devices will work too.
 
Removed picture with error

I would think all that is wrong with old one is diode has gone short circuit!

K is the coil of relay and U1 and U2 are ammeters to show you very little current through floats.

They are the labels the program auto uses. It allows a simulation so I can check there are no mistakes before I build.

To see details of relay click here To ensure the latch and pump are never connected the correct way around in important.

But I still think new diode would be a lot easier!
 
Will that one not just work on the upper float switch though?
Both the 87s are common to each other so is just like connecting the upper float switch to the supply rail.
 

If you need to find a tradesperson to get your job done, please try our local search below, or if you are doing it yourself you can find suppliers local to you.

Select the supplier or trade you require, enter your location to begin your search.


Are you a trade or supplier? You can create your listing free at DIYnot Local

 
Back
Top