• Looking for a smarter way to manage your heating this winter? We’ve been testing the new Aqara Radiator Thermostat W600 to see how quiet, accurate and easy it is to use around the home. Click here read our review.

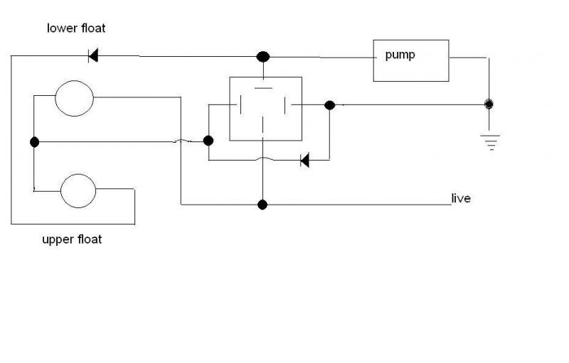
Need a time delay circuit for my float switch and 12v pump?

Lets just hope after all this effect and advice that the new switch works and there is not an un-discovered fault that causes the new switch to weld.
 
Many years ago I also had a problem with probes and time delay the opposite to this problem the probe controlled had an automatic delay and the idea was as the concrete was used in a sub hopper a door would open in the main hopper and top it up. But because of the delay not only did it top it up but it overflowed.
Cure was to limit the open time. But concrete unlike water flows a different rates according to it's slump so a single time open was not good enough and progressively the open time needed increasing until the sub hopper probe was covered.
This shows just a little of the program just to redress this problem. The M2xx were through ASi control the Xxx where direct to PLC the Mxx were relays and Txx timers.
The point is when this post started I was considering the use of a PLC what a big mistake that would have been?
I had completely miss judged ability. Maybe DIYDoctor was right and it is time I quit.
Although not completely waisted as until doing some work on this project I had not realised how easy it was to use a NE555 as a delay timer.
And it promoted me to get new Durite catalogue which may also help my son.
Also quite surprised I had forgot how to use MEDOC spending 2 years on RS Logic I had forgotten the commands for MEDOC and GX Developer is only version 6 and far too small to screen copy and paste.
I think it is time I did some revision!
Eric
 
ban-all-sheds";p="1144701 said:
i cant see two relays on that scematic
as i said to you before the above blew the switch
You had the functionally identical design using a DP device:

http://www.diynot.com/forums/viewtopic.php?p=1138110#1138110
have you replied citing a different design?




AquaHydroChem



Joined: 16 Jan 2009
Posts: 26
Location: Unknown or
unspecified country



Ever I need a new set of glasses or you need a check up from the doctor from the neck up

I found this on another schematic from the same manual
But I don’t know what the B2 and B3 are
I asked an auto electrician not long ago but he did not know ever
I wonder if that was the problem all along hum!


 
White is normally unfused non ignition live and blue with trace is head lights and blue on own often is supply to trailer live a caravan so with not more info I would say split charging supply!
 
Ever I need a new set of glasses or you need a check up from the doctor from the neck up
I'll have one last go at getting you to understand why I asked what I did.

Simply use two relays one works pump and other does latch.
I have set up and tested the above schematic
Using a domestic car charger as the power source
The sequence has work and it has not blown the float switch..
You had that design (well - a functionally equivalent one) 5 days and 4 pages ago.....
I don’t belive we ever had a duel relay circuit
The only other chematic I tried welded the switch together
You had the functionally identical design using a DP device:

http://www.diynot.com/forums/viewtopic.php?p=1138110#1138110[/QUOTE]

i cant see two relays on that scematic
as i said to you before the above blew the switch
You had the functionally identical design using a DP device:

http://www.diynot.com/forums/viewtopic.php?p=1138110#1138110
have you replied citing a different design?

Any chance you could answer that question now? Why, when I gave you the link to a design functionally equivalent to Eric's did you reply with a diagram which was not the design I linked to saying "i cant see two relays on that scematic"?
 
Have fitted the new and old float switches to the mixer; wired it all up following ericmans schematic
Turned the drain valve tap on by half, with the pump switch on its been pumping water as it should with the lower switch switching the pump on and the upper switch switching the pump off with out blowing ever switches
Infect I let it run like that until it flattened the battery

To answer ban-all-sheds question.
It was ericmans schematic that got me going and with out that I would probably still be ****ing in the wind
So I take my hat off to ericman if I could find it
Ban-all-sheds idear that he posted, with all due respects was a bit gobbled de guke and did not explain how I should go about the business
Or are you just trying to claim gratitude for ericmans success
Well thank you for your input ban-all-sheds


White is normally infused non ignition live and blue with trace is head lights and blue on own often is supply to trailer live a caravan so with not more info I would say split charging supply!

Nope its American wiring so the white is normaly earth and blue normally live
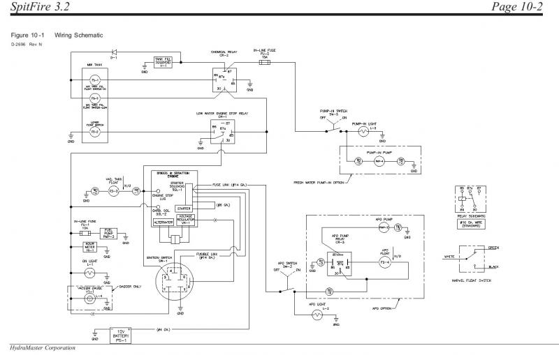
More info is needed so hears the full schematic
as you can see it’s the same schematic as the original for the other But look at the chemical solenoid they don’t match up
I just wanted to know what the b2 and b3 boxes wear rely just for pice of mind if I had missed something off of my wiring before that might of been the problem

Thanks

James
 
To answer ban-all-sheds question.
It was ericmans schematic that got me going and with out that I would probably still be p******g in the wind
So I take my hat off to ericman if I could find it
Ban-all-sheds idear that he posted, with all due respects was a bit gobbled de guke and did not explain how I should go about the business
It explained exactly how to go about it.


Or are you just trying to claim gratitude for ericmans success
P*** off and learn to read before you go making accusations like that.
 
I have tried to read the diagrams but although I can follow wires I can't read labels to find the b2 and b3 boxes. It was many years ago when I worked on USA auto electrics and I can't remember their colour code. The Lucas one I can remember the main cables and with Bosch I can remember some of the numbers but it was back in 1984 when I worked on auto electrics.
Glad it is working but I still think all that was wrong with original was a blown diode. There were two standard in line fuse holders the polythene type often with tails already crimped which had a problem with melting and a black Bakelite screw together type.
The latter were very good for putting diodes in as uses two little brass contacts which could easy be used to connect to 1 amp diodes.
There were diodes with male and female spade connectors used with Cummins engines to stop the current which worked the alternator charging lamp from stopping one turning off the engine. But replacements were hard to come by.
I would thing the manufactures of your unit would also have faced the problem of how to connect up the diode.
And you may find they have also used something like a fuse holder to house it. In which case it is very easy for some one to have replaced a diode with a fuse?

The first time I had a Cummins engine that would not stop it took me ages to find the fault. Some one had realised the diode behind the dash had blown and also found removing it made the ignition (charging) light work and as long as something was switched on which took power from the ignition circuit it all worked.
I was not looking for something missing completely. And only when I could not find diode and was able to look at another Leyland Landtrain and see where it should have been did it twig what was wrong.
And it would not surprise me to find you had something similar where the diode was either missing or gone closed circuit.

Ban-all-sheds was right. The original should have worked and so should the circuit he gave you with the double pole relay. Glad you got it working but do think you should apologise to Ban-all-sheds all I did was re-arrange his diagram.
 
No the diode has defiantly not blown
Tested them before fitting and after the switch had blown and it shows a circuit one way and no circuit the other way
The diodes I have I bought from maplins
Very basic no holders just a wire straight through it and then twisted and rapped in insulation tape to the other ends; nothing fancy rely
But I don’t think the diode was the problem the problem was taking 5 amps to 0.5 amps
And a diode is not a reducer it is as I said before for allowing electric current to pass in one direction and to block the current in the opposite direction like a check valve


Ban-all-sheds was right. The original should have worked and so should the circuit he gave you with the double pole relay. Glad you got it working but do think you should apologise to Ban-all-sheds all I did was re-arrange his diagram.
what diagram, i've been runing around this thread for 4 days now looking for such a piture
 
Going back to the original diagram, if the diode, although working, was fitted the wrong way round, the circuit would appear to work.

However, the snag is the lower float switch would be switching the full current to the motor for the time taken for the relay to operate, the relay would release once the lower float switch operates leaving the upper float switch to carry the full current for the pump until it too operates.

Although the relay would clunk and click nicely every time it wouldn't actually be switching the load.

The only symptom may be the relay releasing but the pump continuing to run.
After a while, a healthy appetite for flow switches, which are being asked to do things they were never designed to do would become apparent.

When looking at circuits of this nature I find an analogue meter can be more useful than a digital meter.

An analogue meter needle will attempt to follow transient conditions. The sampling rate of a digital meter may miss transient conditions completely.

Most useful tool of all is..... pieces of paper to sketch out the circuit as many times as necessary considering the current flows in every component for every possible state of every set of contacts. Fortunately, this is a relatively simple circuit. Try a telephony relay set with a dozen relays, each relay having eight contact sets!
 
The first time I wired this up it was with out a diode
The switch blew instantly I contacted switch and sense who sold me the switch they said lets have a look at your schematic and relay so I e mailed him
He came back within the hour and said your problem is with the full load from pump to port 87 to the switch and to live
I said the wiring dose not have the diode like the schematic dose he said that dose not matter that’s just there to stop any back loads that wont solve your problem
He drew me a schematic and faxed it to me but the sequence never worked
But as he said the diode was not the problem

Now to my latest project hear is the wiring of the low water engine stop float switch please note that the line into port 85 on the relay is the main live in and it also goes to the other relay but that dose not matter rely
It is not wired up at the moment coz I don’t have a switch anymore but when I get a new float switch soon it won’t be hard as I have wired it up before and it worked

But what I want to do is fit a bypass switch to it that instead of stopping the machine/earthing the engine stop lug the switch would bypass it to an alarm and a warning light
Can’t be that hard to do as we see it on cars all the time

Thanks

James
 

If you need to find a tradesperson to get your job done, please try our local search below, or if you are doing it yourself you can find suppliers local to you.

Select the supplier or trade you require, enter your location to begin your search.


Are you a trade or supplier? You can create your listing free at DIYnot Local

 
Back
Top