- Joined
- 8 Jul 2024
- Messages
- 22
- Reaction score
- 5
- Country

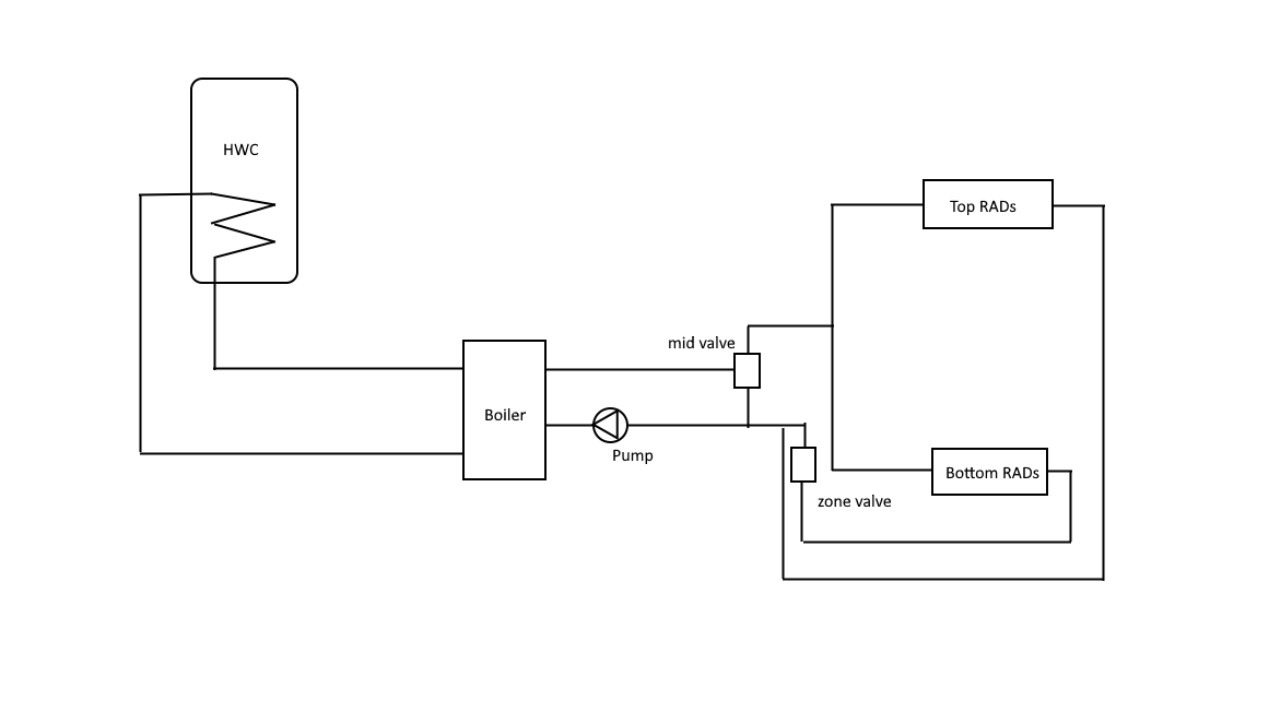
I've moved into a house with very basic central heating controls (one of those timer dials from the 80s) and non traditional piping set up which is causing some complications and I want to do the minimum work at the minute to modernise it.
The way they've piped up the house the boiler sits between the hot water cyclinder and the radiators. When I just wanted hot water, the pump wasn't activated but eventually all the heat circulated to the rads. I've already modified what I could so now I have the option of heating just the hot water or the HWC and the rads.
The issue comes in where I want boost the hot water pressure but the pump temperature limit is 65 degrees. I can't wire my new 2 channel central heating system the normal way where either the cylinder thermostat or room thermostat can call the boiler because I could run into the sitatuion where the room thermostat demands could heat the whole system above 65 to heat the house (currently the system heats to around 75 which is probably limited by the boiler thermostat). I was thinking of wiring it so only the hot water can call the boiler and for the central heating to only call the pump. That way the system only uses stored HWC energy to heat the house and tops it up to 65 when it drops. Would this be a good setup? Is there a better way?
The way they've piped up the house the boiler sits between the hot water cyclinder and the radiators. When I just wanted hot water, the pump wasn't activated but eventually all the heat circulated to the rads. I've already modified what I could so now I have the option of heating just the hot water or the HWC and the rads.
The issue comes in where I want boost the hot water pressure but the pump temperature limit is 65 degrees. I can't wire my new 2 channel central heating system the normal way where either the cylinder thermostat or room thermostat can call the boiler because I could run into the sitatuion where the room thermostat demands could heat the whole system above 65 to heat the house (currently the system heats to around 75 which is probably limited by the boiler thermostat). I was thinking of wiring it so only the hot water can call the boiler and for the central heating to only call the pump. That way the system only uses stored HWC energy to heat the house and tops it up to 65 when it drops. Would this be a good setup? Is there a better way?