Means that two of the three ports are free. That is all.
Please explain further, which 3 ports?
Means that two of the three ports are free. That is all.
Think about a tee fitting. Now imagine if one opening is blocked.... How many openings are left?
One is your header tank.... And the other.....?
I thought you were an engineer?![]()
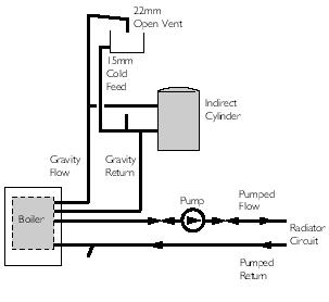
an example of said tee.
This system worked, sporadically for many years in this state.
ChrisW, take it you tested both pipes.
The one with the bleed point will be the flow pipe
Other pipe is the return, might be an idea to check that too
Perhaps you already have![]()
sweat the old soldered joints off then you will have something easier to connect totee would do the job if I cut out the old soldered tee, I

If you need to find a tradesperson to get your job done, please try our local search below, or if you are doing it yourself you can find suppliers local to you.
Select the supplier or trade you require, enter your location to begin your search.
Are you a trade or supplier? You can create your listing free at DIYnot Local