2-way lighting switches, on stairs

I've left the 3 core alone. I've put the red and black into a connecter in both switches so light should come on without using any switch. It was easier to do that. Now the funny thing When I turned on upstairs fuse box both lights and the front passage came on dim then with the downstairs fuse box they all came on properly. Then I turned of downstairs fuse and upstairs light went off and vice versa.
 
You have separate fuse boxes for upstairs and downstairs?
 
Yes the house has Ben used as 2 flats for a while. We have 2 meters but both fuse boxes are on one meter.
 
Switches-1.jpg
Since you say red is line from tests, with the wires you have this is only way I can see it working without using kinetic switches, this would mean with colours shown line for both lights taken from bottom light, and there would be a connector for blue in bottom light and connector for black in top light and both lights will need the neutral from the same MCB/RCBO/Fuse at the distribution board.

Colours may be wrong, you have only identified the red, but with number of cables at switches, it can't work if the three core and earth does not come from lamp. If as normal it goes switch to switch you simply don't have enough cores.
 
Remove the Red/Blue/Yellow cable from both switches.
Connect the Red/Black cable to a switch - Com and L1 - downstairs and upstairs.

Do both lights only work on and off with the appropriate switch?

Do the fuses disconnect only the appropriate light?
PM sent to EFL
 
I think the consensus is that we are not going to be able to figure it out from the internet.

Either way you are not going to be able to make it work as you want - satisfactorily.
 
Hello trouble here again.

I was in the attic putting our suitcases away as we won't be using them now. I traced the cables from the upstairs light.

White cable goes into the wall above the switch
The other 2 white cables go to the bathroom and a bedroom light
Grey cable goes into the stink pipe boxing and I pulled some of the panel off at floor level I can wiggle it and it goes to the downstairs light.
I can't get to the downstairs cables so I think that's the same as upstairs

My poor wife thinks it's all alright as it is but I made her test all the wires with me. I disconnected all of the wires except loop & N and used an old toy of the grandchildrens called operation to find what goes where.

The 3 core is between the switches.
The 2 core plus earth in the downstairs switch goes to the downstairs light.
Ditto for the upstairs
The grey cable now that was funny, downstairs the blue was connected to the loop terminal and the brown was connected to the red wire to the switch but upstairs it was the other way up, brown was in the loop terminal and the blue connected to the red wire to the switch

When I look at the way lights should be wired I don't see why the grey cable is there and it's just like ELFimpudence drawing so I've made it like that for now except we have 2 switches for downstairs and one stitch for upstairs.

It is better now as nothing can get stuck on we'll just have to remember to switch off when we go downstairs.

I tried to do Ericmarks circuit but I don't understand it and the wire colours are wrong.
 
The 3 core is between the switches.
The 2 core plus earth in the downstairs switch goes to the downstairs light.
Ditto for the upstairs
OK that will allow one of the lights to be wired two way, either upstairs or down stairs, not both.
The grey cable now that was funny, downstairs the blue was connected to the loop terminal and the brown was connected to the red wire to the switch but upstairs it was the other way up, brown was in the loop terminal and the blue connected to the red wire to the switch
Sorry now I am loosing the thread a bit, what I think you are saying is the supply and return to switch is swapped but in real terms colours don't matter, they should all be brown, or at least should have brown sleeves on them, all wires to switches are normally line, so may be blue but unlikely neutral it will be line.
When I look at the way lights should be wired I don't see why the grey cable is there and it's just like ELFimpudence drawing so I've made it like that for now except we have 2 switches for downstairs and one stitch for upstairs.

It is better now as nothing can get stuck on we'll just have to remember to switch off when we go downstairs.

I tried to do Ericmarks circuit but I don't understand it and the wire colours are wrong.
Yes now it is clear that is wrong.

So moving forward select which light you want to be two way, and which will be worked by one switch only.

With the one switch only the two core and earth goes to Com (L1 new switch) and L1 (L2 new switch), with the switch to be two way the two core and earth goes to L1 (L2 new switch) and L2 (L3 new switch) and it will not actually work light with just that wire connected, it needs the three core and earth and with that one what ever wire goes to L2 (L3 new switch) must go to same terminal on the other switch. Does not matter red, yellow or blue as long as that colour goes to same terminal on both switches.

If you want two way switching for the other switch, either you need another three core and earth or you can use wireless switches, this method allows you to use existing switch, but I would say this method is better option, however both end up a bit expensive.

Look at the Sonoff range that is likely a cheaper option, but warning, although you can get neutral less light switches, they will not work with all LED bulbs. With the standard bayonet bulb (BA22d) my Energenie neutral less light switches worked fine, also with a chandelier and multi E14 (screw thread) bulbs, had mild pulsing when used with GU10 and real nightmare with G9 bulbs, they at first would not switch off and had to add a load capacitor, and they some times start to pulse. The same problem is found with dimming switches. So any electronic switch which does not use a neutral can have problems with small LED bulbs. Old tungsten work without a problem.

So although possible, it can have problems. May be better to use a smart bulb instead?
 
When I look at the way lights should be wired I don't see why the grey cable is there and it's just like ELFimpudence drawing so I've made it like that for now except we have 2 switches for downstairs and one stitch for upstairs.
It should be the other way round.
Have you wired the switches the right way round up/down?

upload_2020-3-28_2-0-35-png.186989


Or it might be your additional cable messing things.

It is better now as nothing can get stuck on we'll just have to remember to switch off when we go downstairs.
Yes, it should be remember to switch off downstairs when you go up with only the upstairs light on a two-way system.

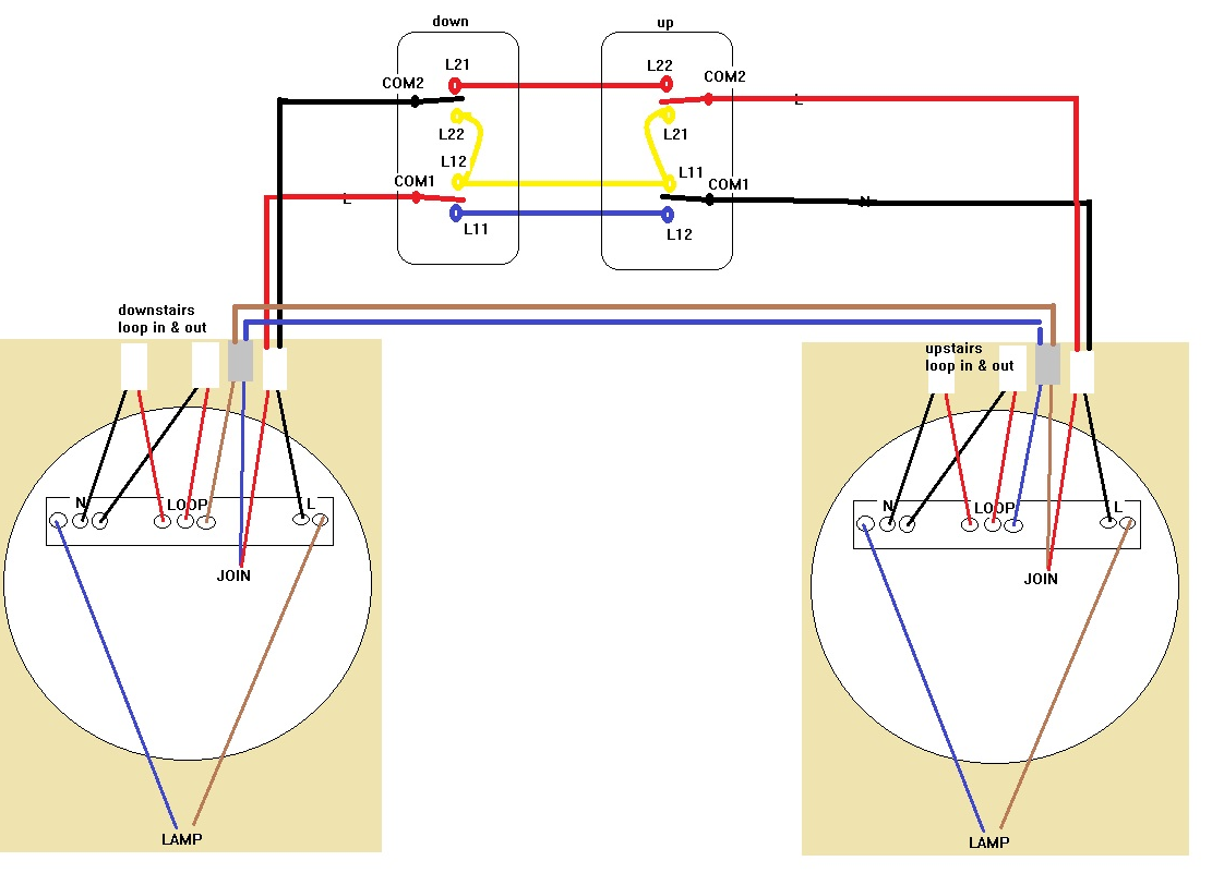
SUNRAY worked out what you have and a way to have both lights on the one two-way set up.
 
This is what SUNRAY worked out what you originally had:

upload_2020-3-29_14-2-7.png


With what you have done - allowing for the wrong way round two-way downstairs, one-way upstairs instead of two-way upstairs, one-way downstairs.

It should not be left like that because both lights are getting their live from the other circuit. This is not satisfactory.

Which would you prefer?
The normal system of one-way down and two-way up, or
as you suggested both lights on one two-way system, that is only one switch up and down which works both lights?
 
Eric.
The grey cable is from the upstairs light to the downstairs light not to the switch just as ELFimpudance lovely drawing which is exactly right. Some of the wire have red tape on them.
I have wired the circuit like ELFimpudence suggested yesterday afternoon except it's the downstairs light which we've chosen and I've used different colours. As the light shines through the spindles onto both parts of the stairs and the upstairs light doesn't shine on the bottom part.

ELFimpudence,
I've chosen to have the downstairs with 2 switches
When I measured the volts with my neon tester I worked out the grey cable provided the downstairs light power to the upstairs switch and the upstairs light power to the downstairs switch but removing it and connecting red to loop instead of the grey cable and then wiring the red black as your drawing for a single switch in both switches made the lights come on properly without being dim like before. Then I wired the 3 core like your drawing but for the downstairs light.
Your drawing of the whole system is exactly how it was to start and now I see that I can see why the lights could get stuck on with both downstairs switches down. The grey cable isn't connected to anything now
How easy would it be To make both lights work together? Can I do it without making holes in the walls.
 
I've chosen to have the downstairs with 2 switches
Ok.

When I measured the volts with my neon tester I worked out the grey cable provided the downstairs light power to the upstairs switch and the upstairs light power to the downstairs switch but removing it and connecting red to loop instead of the grey cable and then wiring the red black as your drawing for a single switch in both switches made the lights come on properly without being dim like before. Then I wired the 3 core like your drawing but for the downstairs light.
Ok.
Credit to SUNRAY for the diagram. It wasn't mine.

SUNRAY's drawing of the whole system is exactly how it was to start and now I see that I can see why the lights could get stuck on with both downstairs switches down. The grey cable isn't connected to anything now
How easy would it be To make both lights work together? Can I do it without making holes in the walls.

Another diagram SUNRAY prepared yesterday.

You need to do this:

upload_2020-3-29_19-53-36.png
 
EDIT: Too slow again...

But credit where credits due, part of this drawing is EFL's (y)

Oh I see it's been busy on here today and so have I doing some sorting out.

It was a bit tough working out what you had there originally, the switches were easy but the grey cable confused me until I drew the whole circuit.

As long as the grey cable is still useable it is easy to have both lights working together if that's what you prefer, without any holes in the walls.

Can I be cheeky and ask your age Jack?

I did this with the expectation of the start point being upstairs but if you simply flip the up's and down's it'll be your system:
upload_2020-3-29_19-52-35.jpeg

All it does is link the 2 lights together using the existing grey cable.
You will need to take the existing black wires from the N terminal and disconnect both ends of the red and black of the switch cable.
Make sure you leave the earth wire in place as the 3 core doesn't have an earth.
 

If you need to find a tradesperson to get your job done, please try our local search below, or if you are doing it yourself you can find suppliers local to you.

Select the supplier or trade you require, enter your location to begin your search.


Are you a trade or supplier? You can create your listing free at DIYnot Local

 
Back
Top